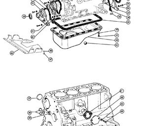
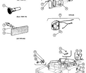
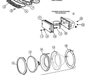
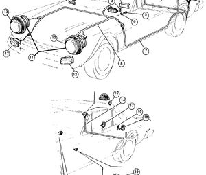
Fiat 124 Parts For Sale

Classic Fiat and Abarth Parts for sale. Click on the parts section below for the parts catalogue for that particular model.