| Image Number | Product | Price ex VAT |
|---|---|---|
| Not Illustrated | DISCARNECT CAR IMMOBILISER / BATTERY CUT OFF | £14.95 |
Available On Request
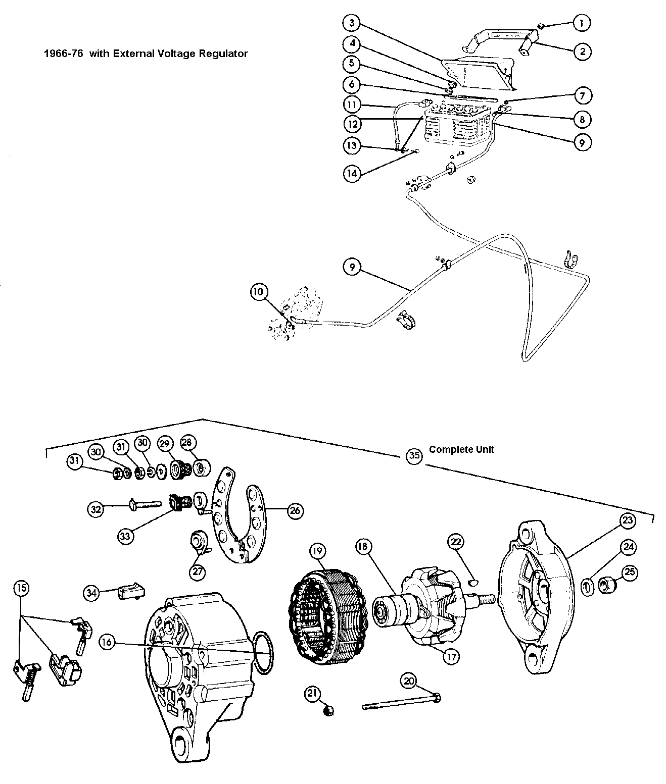
| Image Number | Part Number | Product | Price ex VAT |
|---|---|---|---|
| 2 | HNG3012640601 | SPACER FOR TIMING BELT COVER 124 | Please Enquire |
| 6 | HNG1000004517 | ALTERNATOR 1.4/1.6/1.8 124 SPIDER/COUPE | £111.60 |
| 13 | HNG1000004561 | ALT/DIST SEAL 124 SPIDER 2.0i | £2.01 |
| 13 | HNG3010516670 | SPRING WASHER FOR MOUNTING 124 | £0.56 |
| 15 | HNG3004230515 | BRUSH SET 124 | Please Enquire |
| 16 | HNG3004424346/RECON | ALTERNATOR RECON OEM FIAT 124 EXCHANGE ONLY | £252.50 |
| 21 | HNG1000004518 | REGULATOR FOR DYNAMO 124 2000 | £68.00 |
| Not Illustrated | HNG1000004530 | VOLTAGE REG ELECTRONIC 124 | £23.72 |
