| Image Number | Product | Price ex VAT |
|---|---|---|
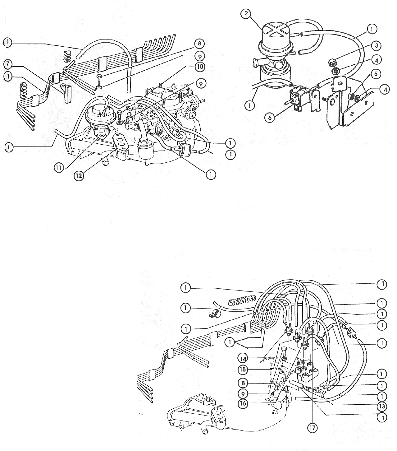
| 16 | M8x25 BOLT - 500 CLUTCH COVER/BALL JOINT | £1.13 |
Available On Request
| Image Number | Part Number | Product | Price ex VAT |
|---|---|---|---|
| 13 | HNG3010516670 | SPRING WASHER FOR MOUNTING 124 | £0.56 |
