| Image Number | Product | Price ex VAT |
|---|
Available On Request
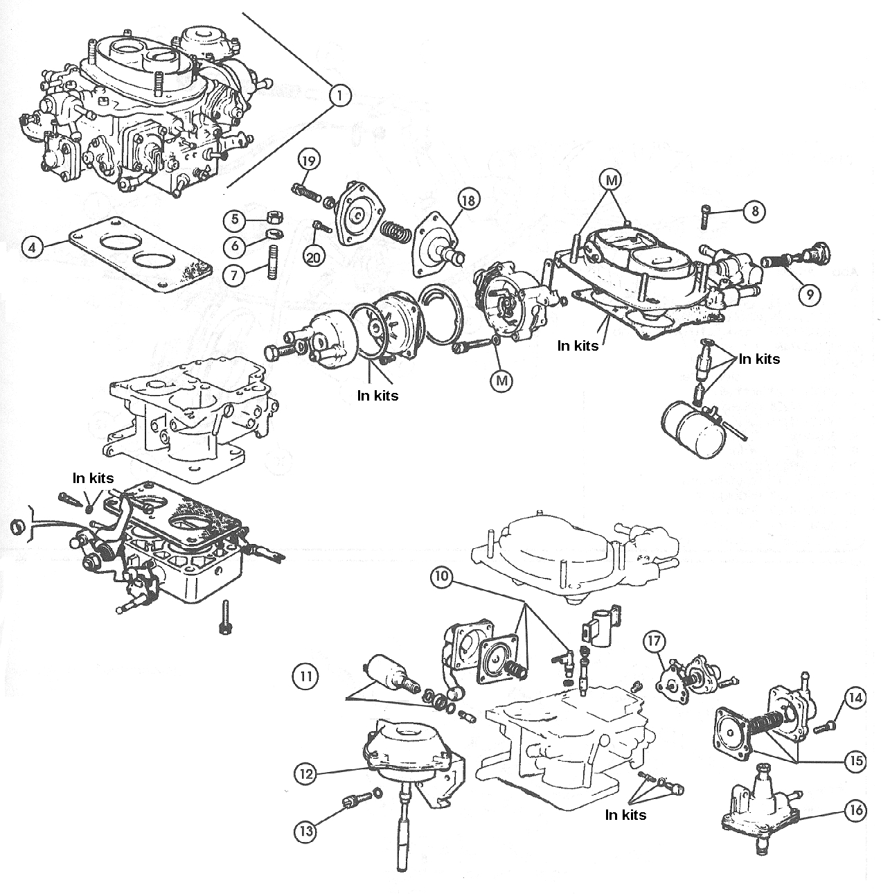
| Image Number | Part Number | Product | Price ex VAT |
|---|---|---|---|
| 2 | HNG694/SE | CARB GASKET SET 124 28/32 | £39.90 |
| 3 | HNG694 | CARB REPAIR KIT 124 2000 | £39.60 |
| 11 | HNG3009936549 | ELECTRONIC IDLE SOLENOID WEBER | £26.75 |
