| Image Number | Product | Price ex VAT |
|---|---|---|
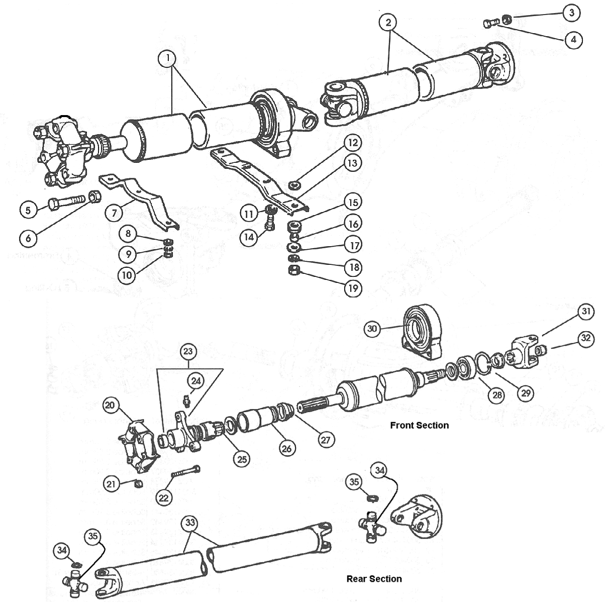
| 2 | CYL HEAD/EXH/MANIFOLD WASHER 124 | £1.44 |
| 3 | LOCK NUT M8 SS | £0.41 |
| 27 | PROPSHAFT COUPLING 124 (DOUGHNUT) | £34.00 |
| 30 | PROPSHAFT CENTRE MOUNT 124 (without bearing) | £21.00 |
| 30 | PROPSHAFT CENTRE MOUNT WITH BEARING | £50.00 |
| 31 | CIRCLIP FOR PROPSHAFT CENTRE BEARING 124 | £1.50 |
| 34 | PROPSHAFT U.J. 124/125/131/132 ETC. | £21.00 |
Available On Request
| Image Number | Part Number | Product | Price ex VAT |
|---|---|---|---|
| 13 | HNG3010516670 | SPRING WASHER FOR MOUNTING 124 | £0.56 |
| 15 | HNG3004074483 | INSULATOR RING 124 DRIVESHAFT | £2.00 |
| 16 | HNG3004074482 | SPACER FOR PROP MOUNT 124 | £1.53 |
| 19 | HNG3016240921 | TRAILING ARM BOLT 124/850 | £4.85 |
| 23 | HNG3004643153 | FLANGE FRONT Kardanwellenflansch Vorne 124 | £65.00 |
| 25 | HNG3004640021 | PLASTIC PROPSHAFT SLEEVE 124 | £9.60 |
| 28 | HNG3015541321 | BOLT FOR PROPSHAFT DOUGHNUT COUPLING | £2.50 |
| 32 | HNG1000004218 | PROPSHAFT BEARING - 124 | £15.00 |
| Not Illustrated | HNG3004191222 | SUPPORT | £31.50 |
